Diseño industrial y desarrollo de producto
Realizamos el diseño y desarrollo de producto desde la conceptualización a la búsqueda de proveedores para su fabricación. Hemos seleccionado una muestra de los proyectos de diseño que los clientes nos han dado permiso. Para más información pueden ver detalles del servicio del departamento y estudio de diseño industrial.
Escaneado 3D y digitalización
Ofrecemos el servicio de escaneo 3D de piezas, productos, obras de arte o cualquier otro producto físico que requiera de ser digitalizado para reproducirlo con impresión 3D, usarlo como base para desarrollar un producto, realizar la ingeniería inversa o verificar sus dimensiones. Puedes ver más detalles del servicio de digitalización 3D.

El siguiente ejemplo se muestra todo el proceso desde digitalización hasta la creación de un molde. Primero, se parte de una escultura escaneada en 3D con la malla totalmente cerrada. En el proceso intermedio se ha trabajado la malla para crear un STEP el cual se puede editar en un programa paramétrico. Por último se extrae el de un bloque paramétrico el material de la pieza para crear el negativo.
Modelado de piezas 3D
Modelamos piezas a 3D tanto industriales como de primeros prototipos para impresión 3D. Una vez realizado y aprobado por el cliente, lo enviamos en formato 3D como IGS, STEP o STL. Ver detalles del servicio de modelado de piezas a 3D.
Diseño de manuales de instrucciones técnicos e ilustración técnica
Realizamos todo el proceso de diseño gráfico, ilustración y vistas 3D para diseñar un manual de instrucciones, manual de uso o de montaje. Ver más información del servicio de diseño de manuales de usuario.
Ayuda en el registro de patentes, diseños industriales y modelos de utilidad
Nos encargamos verificar y mejorar los diseños que se quieren registrar y proteger. Preparamos las imágenes para ser presentadas en la solicitud de registro de diseños y modelos. Nuestro objetivo en este proceso es cumplir todos los requisitos para tener un registro eficaz y amplio. Ver servicio de asesoramiento para registrar un diseño industrial.
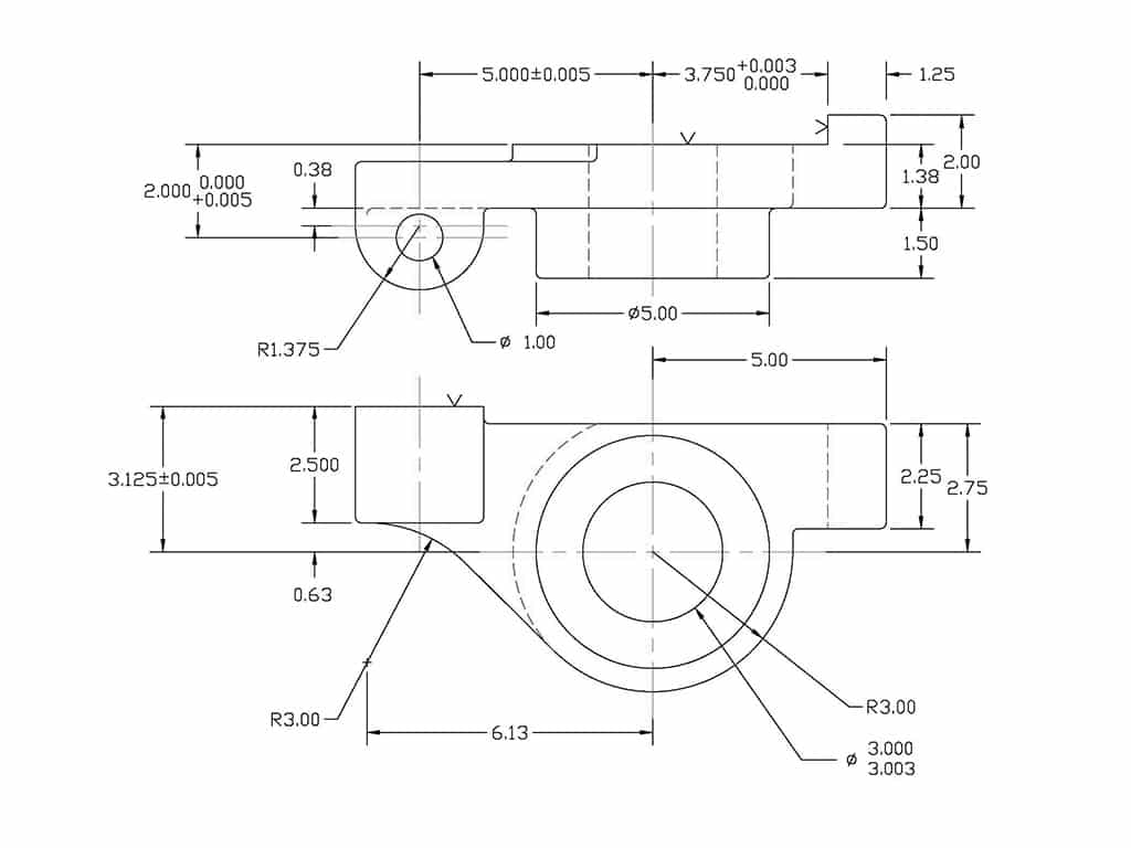
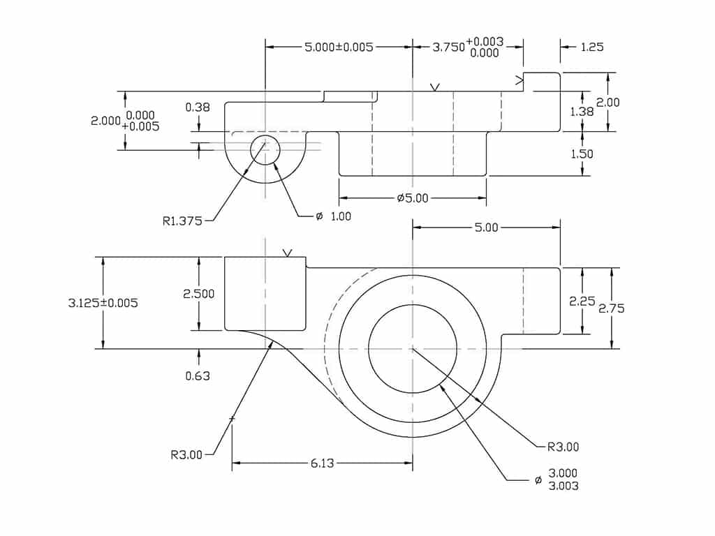
Delineación de planos de piezas industriales
En ProyectosCAD somos el departamento técnico de muchos clientes sin tener la necesidad de tener un delineante en plantilla. A partir de los requisitos definidos por el cliente, realizamos el proceso de delineación hasta la entregar los planos en el formato deseado. Pueden ver más detalles de nuestro servicio de delineante online.
Conversión de bocetos, croquis, esquemas o imágenes a 3D
A partir de un boceto, croquis o imagen JPG, GIF o PNG la convertimos a 3D. A parte de piezas técnicas también modelamos objetos no técnicos a partir de una imagen sin tener medidas. Ver más detalles del servicio para convertir una imagen, un boceto, croquis o esquema a 3D.
Diseño y desarrollo de cajas a medida para Raspberry Pi
En ProyectosCAD hemos recibido multitud de solicitudes para realizar cajas y carcasas a medida para la placa Raspberry Pi. Por eso hemos desarrollado un servicio ajustado al diseño de cajas a medida para Raspberry Pi.
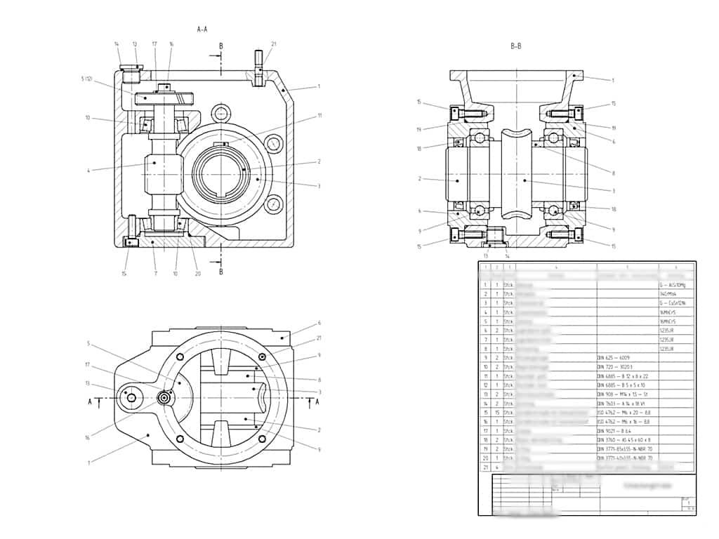
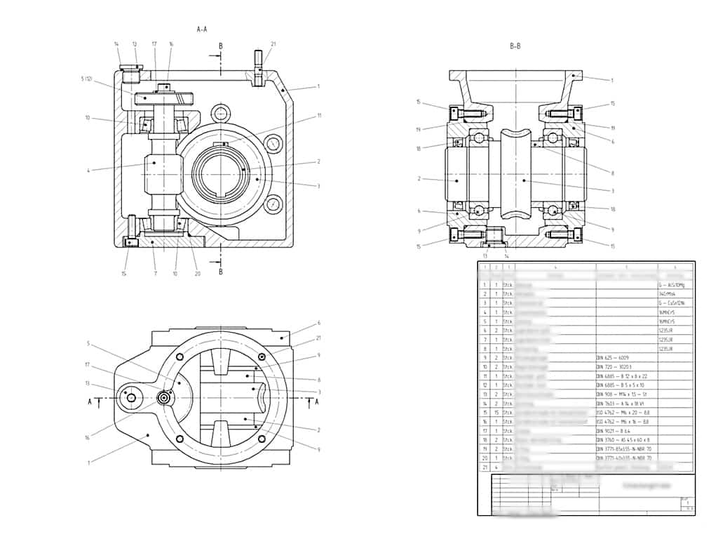
Conversión de dibujos o bocetos de piezas industriales a CAD
A partir de un croquis, imagen u otro formato lo convertimos y lo redibujamos a CAD 2D. Desde piezas pequeñas a grandes conjuntos, trabajamos para entregar piezas listas para mecanizar, cortar a láser, modelar en 3D,… Las piezas se entregan en distintos formatos: DXF, DWG, PDF,… Ver servicio de dibujo y delineación a CAD.
Vectorización y redibujado de logos a partir de una imagen
A partir de una imagen de poca resolución, el mayor reto es obtener la máxima definición a partir del archivo inicial que se nos proporciona. Nuestros técnicos trabajan para entregar la mejor versión vectorizada y fiel a la realidad. Ver detalles del servicio para vectorizar una imagen.
Modificación de planos técnicos
Realizamos el trabajo de delineante para modificaciones de planos tanto para piezas técnicas como para planos arquitectónicos. Aquí mostramos unos ejemplos del archivo recibido y el resultado entregado. Ver servicio de modificación de planos.
Con esta selección de proyectos organizados y agrupados por sectores, queremos ofrecer una amplia visión en lo que trabajamos día a día. Van desde el modelado 3D de piezas técnicas y el diseño de producto hasta la maquetación de instrucciones y el registro de diseño industrial para proteger el producto. Cada uno requiere de una determinada especialización de la que estamos seguros de poder ofrecer para entregar el resultado con la mejor calidad y rapidez posible.















































